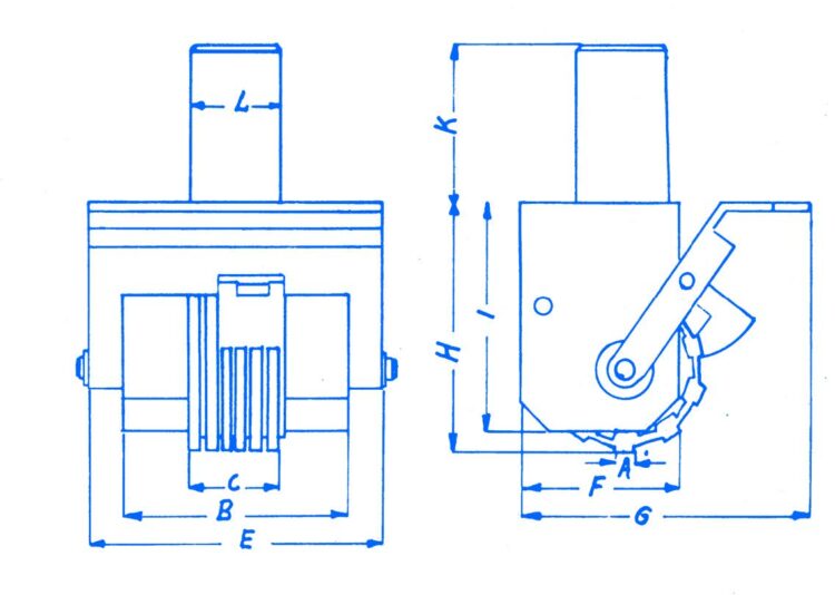
Automatic changing numbering head
Automatically changing numbering heads are the ideal solution for the continuous numbering of workpieces in industrial applications. They enable reliable, consistent and permanently legible marking – even with high quantities and recurring embossing processes.
The numbering heads are suitable for a wide range of materials. These include steel, non-ferrous metals and plastics. This makes them flexible for use in a wide variety of industries, such as mechanical engineering, metalworking and series production.
The numbering can be switched either manually or automatically via the working stroke of the press used. This ensures reliable switching with every stroke, which reduces operating errors and makes the production process significantly more efficient. At the same time, automatic switching ensures consistently high embossing quality.
In addition, we manufacture automatically changing numbering heads as custom-made products exactly according to your requirements. Whether you require special font heights, individual digit numbers or a customised interface to the press – we will develop a solution that is optimally suited to your application.
Your advantages at a glance:
- Automatic or manual numbering
- Suitable for steel, non-ferrous metals and plastic
- Reliable function for series and individual embossing
- High precision and long service life
- Customised special designs possible







